HH Series High Speed Injection Molding Machine

HH Series High Speed Injection Molding Machine

200 Ton - 1300 Ton

Enjeksiyon hizi 300-500mm/s, tam paralel hareketler ile dusuk cevrim sureleri. Ince duvar urunler ve ambalaj sektoru icin optimize edilmis yuksek hizli enjeksiyon makineleri. Hizli mengene sistemi ile yuksek uretim kapasitesi.

300-500mm/s enjeksiyon hizi
Tam paralel hareketler ile dusuk cevrim suresi
Hizli mengene sistemi
Ince duvar (thin wall) uretim kapasitesi
KEBA CONTROL sistemi
200-1300
Ton Kapasite
300-500
mm/s Enjeksiyon Hizi
%70
Enerji Tasarrufu
7
Model Secenegi
KEBA
Kontrol Sistemi
Ozellikler

Neden HH Serisi?

Yuksek hiz, dusuk cevrim suresi ve ince duvar uretimi bir arada.

Yuksek Hiz

300-500mm/s enjeksiyon hizi ile ultra hizli uretim kapasitesi

Dusuk Cevrim Suresi

Tam paralel hareketler ile minimum cevrim suresi, maksimum verimlilik

Ince Duvar Uretimi

Thin wall ambalaj urunleri icin optimize edilmis ozel tasarim

Hizli Mengene

Yuksek hizli acma-kapama ile uretim surecini hizlandirir

Enerji Verimliligi

Servo kontrol ile %70 enerji tasarrufu

Ambalaj Uzmani

Gida, icecek, kozmetik ambalaj sektoru icin ideal cozum

Standart H Serisi
H Serisi Standart Paralel Hareket Diyagrami
HH Serisi - Tam Paralel
HH Serisi Tam Paralel Hareket Diyagrami
H vs HH Farki

Tam Paralel Hareket Teknolojisi

HH Serisi, standart H Serisinden farkli olarak mal alma (plastiklestirme) ve itici hareketi islemlerini ayni anda gerceklestirir. Bu sayede cevrim suresi onemli olcude kisalir.

  • H Serisi: Mal alma soguma sirasinda, itici acma sirasinda calisir
  • HH Serisi: Mal alma ve itici hareketi eszamanli calisir
  • Daha kisa cevrim suresi = daha yuksek uretim kapasitesi
  • Ince duvar ambalaj uretiminde kritik avantaj
  • Gida, icecek, kozmetik ambalaji icin ideal
Kalite

Yuksek Kalite Makas Sistemi

H/HH Serisi makinelerde kullanilan toggle (makas) mekanizmasi, hassas isleme ve yuksek kalite malzemeler ile uretilmistir. Uzun omurlu ve guvenilir kilitleme performansi saglar.

  • QT 500-7 kalite dokum malzeme
  • Hassas CNC isleme ile mukemmel parallellik
  • Yuksek dayaniklilik ve uzun omur
  • Dusuk bakim maliyeti
Toggle Makas Mekanizmasi Detay
Verimlilik

Tasarruf Oranlari

HH Serisi makineler ile uretim maliyetlerinizi onemli olcude dusurursunuz.

%70
Enerji Tasarrufu
%50
Depolama Verimi
%30
Uretim Artisi
%25
Iscilik Tasarrufu
Modeller

HH Serisi Model Listesi

Ihtiyaciniza uygun tonnaji secin, detayli teknik bilgi icin bize ulasin.

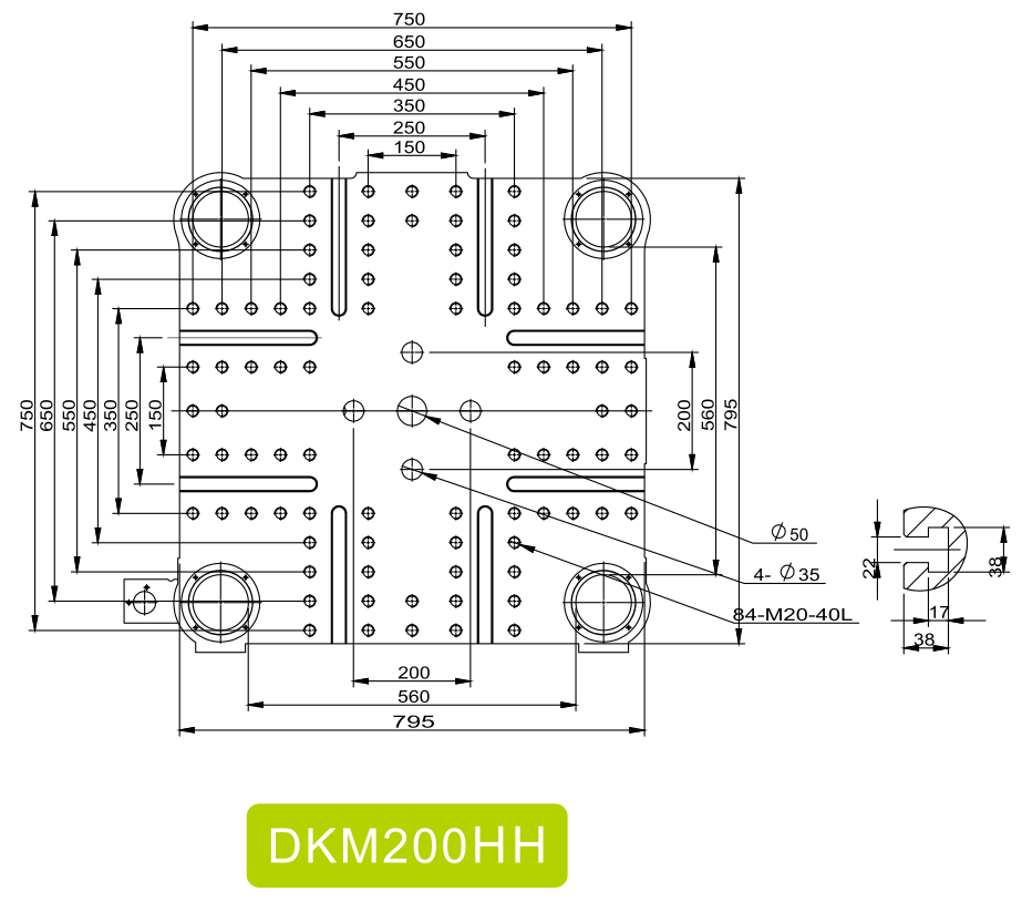
DKM-200H/200HH
200 Ton | 2.000 kN Kilitleme
Kolon Mesafesi510 x 460 mm
Acma Mesafesi450 mm
Enjeksiyon Hacmi332 cm³
Teklif Al
DKM-300H/300HH
300 Ton | 3.000 kN Kilitleme
Kolon Mesafesi570 x 520 mm
Acma Mesafesi500 mm
Enjeksiyon Hacmi559 cm³
Teklif Al
DKM-400H/400HH
400 Ton | 4.000 kN Kilitleme
Kolon Mesafesi660 x 610 mm
Acma Mesafesi600 mm
Enjeksiyon Hacmi890 cm³
Teklif Al
DKM-600H/600HH
600 Ton | 6.000 kN Kilitleme
Kolon Mesafesi760 x 710 mm
Acma Mesafesi700 mm
Enjeksiyon Hacmi890 cm³
Teklif Al
DKM-800H/800HH
800 Ton | 8.000 kN Kilitleme
Kolon Mesafesi910 x 860 mm
Acma Mesafesi850 mm
Enjeksiyon Hacmi2.988 cm³
Teklif Al
DKM-1100H/1100HH
1.100 Ton | 11.000 kN Kilitleme
Kolon Mesafesi1.060 x 1.010 mm
Acma Mesafesi1.000 mm
Enjeksiyon Hacmi4.710 cm³
Teklif Al
DKM-1300H/1300HH
1.300 Ton | 13.000 kN Kilitleme
Kolon Mesafesi1.160 x 1.110 mm
Acma Mesafesi1.100 mm
Enjeksiyon Hacmi6.275 cm³
Teklif Al
Komponentler

Kaliteli Bilesen Secimi

Dunya markasi komponentler ile yuksek performans ve uzun omur.

Elektronik & Elektrik
ControllerKEBA - Avusturya
Electronic RulerNOVO / GEFRAN - Almanya / Italya
AC ContactorSchneider - Fransa
Proximity SwitchOMRON - Japonya
SSR (Solid State Relay)CRYDOM - ABD
Hidrolik Unite
Hydraulic MotorSTF - Ingiltere
Oil PumpSumitomo / Eckerle
Logical ValveHP - Tayvan
Directional ValveYuken - Japonya
Servo MotorPhase / Sino-Italy
Kilitleme Unitesi
Tie BarQT 500-7 - Hong Kong
Clamping PlateQT 500-7 - Hong Kong
Toggle ArmQT 500-7 - Hong Kong
Enjeksiyon Unitesi & Diger
Screw & Barrel38Crmoala
Plasticizing MotorSTF - Ingiltere
O-RingNOK - Japonya
Oil Sealing KitHALLITE - Ingiltere

HH Serisi Icin Teklif Alin

Uzman ekibimiz ihtiyaciniza en uygun HH modeli ve konfigurasyonu belirlemek icin hazir.

Ucretsiz Teklif Al